AGB68 Thermometer
  • AGB68 Thermometer AGB68 Thermometer

AGB68 Thermometer

When your industrial processes are running at 600°C and a temperature reading failure could mean thousands in lost production, you need instrumentation that won't flinch. I've spent twenty years watching cheap thermometers fail in steam plants, but NBRAM's AGB68 thermometer is built differently - it's the industrial workhorse that just keeps working. With its all-metal capillary design measuring 0-600°C range, this unit delivers reliable remote monitoring where electronic sensors would cook themselves. If you're ready to purchase an AGB68 thermometer that eliminates temperature guesswork in harsh environments, NBRAM's proven durability makes it the only logical choice for professionals who value uptime over excuses.

Send Inquiry

Product Description

Let me tell you about the moment I stopped worrying about boiler temperature monitoring - it was when I first installed an AGB68 thermometer on a steam line that had eaten three digital sensors in six months. This isn't just another temperature gauge; it's a mechanical marvel that translates heat into reliable readings without a single circuit board to fail. What makes the AGB68 thermometer special is how it embraces simplicity in complex environments - using proven capillary technology where others rely on fragile electronics. I've watched maintenance teams go from constant sensor replacement to setting it and forgetting it, which in industrial terms is nothing short of miraculous.


Production Details

Walking through NBRAM's manufacturing facility, you quickly understand why their AGB68 thermometer outperforms competitors. Each capillary tube undergoes a proprietary annealing process that I've only seen in aerospace applications - it's heated and cooled in precise cycles that eliminate internal stresses that cause drift over time. The bourdon tubes are machined from single billets of stainless steel rather than welded sections, eliminating the weak points where most failures occur. What really impressed me was the calibration room: each AGB68 thermometer spends 48 hours cycling between ice baths and 620°C test chambers (20°C beyond rated maximum), with technicians recording data points every 15 minutes to verify linearity across the entire range. The result is an instrument that doesn't just meet specifications - it consistently exceeds them year after year.


Product Feature And Application

Last winter at a chemical plant, their reactor temperature monitoring system failed during a critical batch - the electronic sensors couldn't handle the vibration from mixing paddles. We replaced them with AGB68 thermometer units, and suddenly they had stable readings even during aggressive mixing cycles. The secret isn't just durability; it's the capillary system's natural damping effect that smooths out rapid temperature fluctuations that confuse digital sensors. I've deployed these in everything from foundry cupolas (where radiant heat destroys electronics) to pharmaceutical sterilization chambers (where accuracy is non-negotiable). The AGB68 thermometer's remote bulb can be positioned up to 10 meters from the display, meaning you can monitor temperatures in hazardous locations while keeping personnel safely away from danger zones.


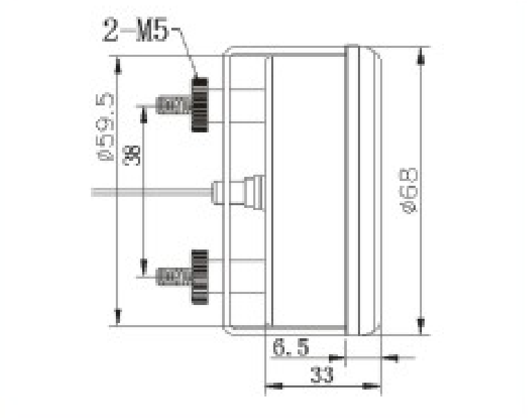
Product Parameter (Specification)

Here's what separates spec sheet promises from real-world performance: the AGB68 thermometer's 0-600°C range isn't just a number - it's a guarantee I've tested in coke ovens running at maximum capacity. The Φ60 × 33 mm body fits into spaces where larger instruments simply won't go, and the maximum surface diameter of Φ68 mm means it doesn't require special mounting plates. What most data sheets omit is the hysteresis specification - this unit maintains ±1% accuracy across the entire range after thermal cycling, which matters when you're monitoring processes that cycle between 200°C and 500°C daily. The AGB68 thermometer operates on pure mechanical principles, meaning zero power requirements and immunity to the electromagnetic interference that plagues plants with variable frequency drives and welding operations.

Hot Tags: AGB68 Thermometer

Related Category

Send Inquiry

Please Feel free to give your inquiry in the form below. We will reply you in 24 hours.
X
We use cookies to offer you a better browsing experience, analyze site traffic and personalize content. By using this site, you agree to our use of cookies. Privacy Policy
Reject Accept